HOME
Home
PRODUCT
Nav
SOLUTION
Nav
ABOUT
Nav
NEWS
Nav
CONTACT
Nav
MCB
MCCB
WIFI
RCCB
AC Contactor
Circuit Breaker
Vacuum Packing Machine
Packaging Machine
Miniature circuit breaker auto welding assembly e
Automatic assembly equipment class
Automatic laser marking equipment class
Fully automatic riveting and pressing equipment
Other
Customized Automatic Machine
Dual power automatic transfer switch(ATS)
Precision machining parts
DNOX生产线
移印激光打标和影像检测设
推杆自动装配设备
热脱扣组件自动组装焊接设备
中性件组件自动组装焊接设备
柴油机油轨自动内窥镜检测&给油&装配节流阀设备
柴油喷油嘴自动上下料设备
速度传感器产线设备
温度传感器组装测试产线设备
汽车尾箱开关生产线
PCB板自动锡焊视觉检测设备
动触头装配设备
自动锁螺丝设备
电动机保护断路器动触头机构全自动装配设备
自动封箱打包带以及码垛设备
自动铆压天地盖设备
公司简介
荣誉资质
企业实力
企业风采
Industry news
Chinese
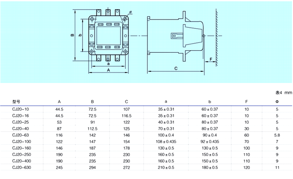
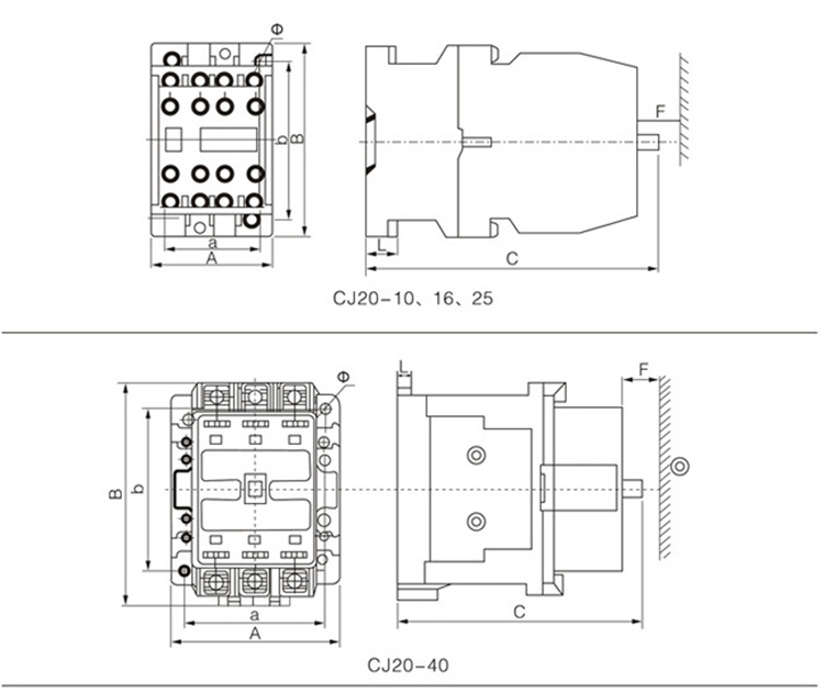
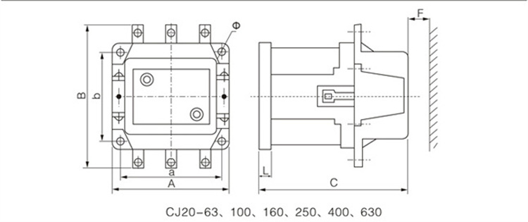
CJ20
Previous:
CJT1
Next:
FR7 Static contact shaping device
Detail
SOLUTION
Medium And Low Voltage Electrical Appliance
Automotive
Home Appliance
5G Communication
Military Aviation
Medical Instrument
ABOUT
Company Profile
Honorary Certificate
Corporate Strength
Enterprise Features
CONTACT
Add: Wangsheng Road, Huangqiao Street, Xiangcheng District, Suzhou City (Building C, Suzhou Intelligent Service Industrial Park)
Mobile:
15862450698
Tel:
0512-65761296
E-mail:
cynthia@js-spark.com
Copyright © 2022
Suzhou Spark Technology Co., LTD
Su ICP 15108747-1
Technical support: Xinhaihua Technology
PRODUCT
Circuit Breaker
Dual Power Automatic Transfer Switch(ATS)
Packaging Machine
Precision Machining Parts
Customized Automatic Machine